TNP Series memungkinkan pengujian cepat dan akurat: mampu mengukur torsi hingga 10 Nm (tergantung model), dengan akurasi tinggi ± 0,5%. Memori internal hingga 1000 hasil uji dan output USB memudahkan dokumentasi dan analisis data — ideal untuk audit, batch test, atau kontrol kualitas rutin.
Torque Gauges and Test Stands TNP Shimpo
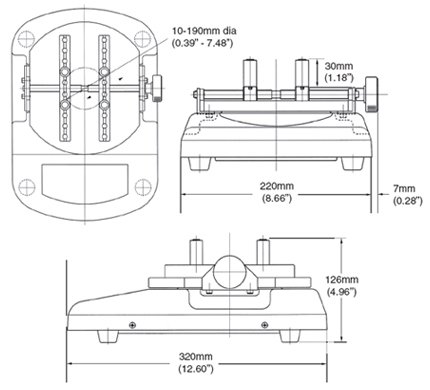
Didesain ringkas, portabel, dan fleksibel, Shimpo TNP mendukung diameter sampel dari 10 mm hingga 190 mm, membuatnya cocok untuk tutup botol, kemasan, valve, dan komponen mekanik. Dilengkapi fitur pass/fail (HI-GO-LO LED), serta multiple mode (Opening, Closing, Average), menjadikannya alat torsi serbaguna untuk industri, farmasi, kosmetik, atau makanan & minuman.
Features
Memberikan hasil torsi yang presisi dan dapat diandalkan untuk kontrol kualitas.
Tersedia model 0.5, 2, 5, dan 10 Nm — fleksibel untuk berbagai kebutuhan torsi.
Memungkinkan perekaman hasil uji, ideal untuk batch testing atau QC berulang.
Data bisa diekspor ke PC untuk analisis, grafik, atau dokumentasi QC.
Mendukung pengujian torsi buka/tutup dan pengecekan pass/fail dengan mudah untuk produksi massal.
Dimensions
Torque Ranges
| Model | Capacity | Resolution |
| TNP-0.5 | 0-4.425 Lbf-in 0-0.500 Nm 0-50.00 Ncm 0-5099 gcm | 0.001 Lbf-in 0.001 Nm 0.01 Ncm 1 gcm |
| TNP-2 | 0-17.70 Lbf-in 0-2.000 Nm 0-200.0 Ncm 0-20.39 Kgcm | 0.01 Lbf-in 0.001 Nm 0.1 Ncm 0.01 Kgcm |
| TNP-5 | 0-44.25 Lbf-in 0-5.000 Nm 0-500.0 Ncm 0-50.99 Kgcm | 0.01 Lbf-in 0.001 Nm 0.1 Ncm 0.01 Kgcm |
| TNP-10 | 0-88.5 Lbf-in 0-10.00 Nm 0-1000 Ncm 0-102.0 Kgcm | 0.1 Lbf-in 0.01 Nm 1 Ncm |
Typical Torque Values (LB-IN)
| Cap dia. in mm | Phenolic/ Urea Cap On Glass | Phenolic/Urea Cap on Plastic | PP/PE Cap on Glass | PP/PE Cap on Plastic | ||||
| Close Torque | Open Torque | Close Torque | Open Torque | Close Torque | Open Torque | Close Torque | Open Torque | |
| 15 | 8 | 4 | 6 | 3 | 12 | 7 | 8 | 4 |
| 18 | 9 | 5 | 7 | 4 | 13 | 8 | 9 | 5 |
| 20 | 10 | 5 | 8 | 4 | 15 | 9 | 10 | 5 |
| 22 | 11 | 6 | 9 | 5 | 17 | 10 | 11 | 6 |
| 24 | 12 | 6 | 10 | 5 | 18 | 11 | 12 | 6 |
| 28 | 14 | 7 | 12 | 6 | 21 | 12 | 14 | 7 |
| 33 | 18 | 9 | 15 | 7 | 24 | 14 | 17 | 8 |
| 38 | 20 | 10 | 17 | 7 | 29 | 17 | 19 | 9 |
| 43 | 22 | 11 | 18 | 9 | 33 | 20 | 22 | 11 |
| 48 | 24 | 14 | 20 | 10 | 26 | 22 | 24 | 12 |
| 58 | 28 | 14 | 24 | 12 | 44 | 26 | 29 | 14 |
| 70 | 35 | 18 | 28 | 14 | 52 | 32 | 35 | 17 |
| 89 | 45 | 22 | 36 | 18 | 65 | 40 | 45 | 22 |
| 100 | 50 | 25 | 40 | 20 | 75 | 38 | 50 | 25 |







