Instrumen ini menampilkan layar besar dengan LED status toleransi, tombol programmable, serta fungsi lengkap seperti MIN/MAX/DELTA, TOL, PRESET, Factor, AUTO OFF dan sistem Smart Inductive System yang otomatis bangun dan masuk sleep untuk efisiensi energi. Konstruksi kuat dengan housing Ø 59,5 mm tahan lingkungan kerja (IP54).
Digital Indicator S_DIAL Work Analog Nano Smart Sylvac
Model Analog Nano Smart mendukung operasi tanpa baterai melalui Proximity dan Power output ke USB/RS232, serta Bluetooth untuk data nirkabel. Cocok untuk inspeksi deviasi bentuk dan jarak pada produksi otomotif, elektronika, aeronautika, pengemasan, dan alat mesin.
Features
Pengukuran dengan resolusi 0,0001 mm (0,1 µm) untuk detail ekstrem.
Layar analog besar dengan LED indikator status toleransi, memudahkan interpretasi hasil.
Teknologi nirkabel terintegrasi untuk transfer data tanpa kabel.
Dapat beroperasi tanpa baterai lewat Proximity & Power output ke USB/RS232.
Fungsi MIN/MAX/DELTA, TOL, PRESET, Factor, AUTO OFF dan Smart Inductive System untuk efisiensi energi.
Overview
| 805-6307 | 805-6507 | |
| EAN | 7640125712971 | 7640125697650 |
| Measuring range (mm) | 12.5 | 25 |
| Resolution (mm) | 0.0001 | |
| Max. Error fe (µm) | 1.2 | 1.6 |
| Repeatability (µm) | 0.3 | |
| IP rating | IP54 | |
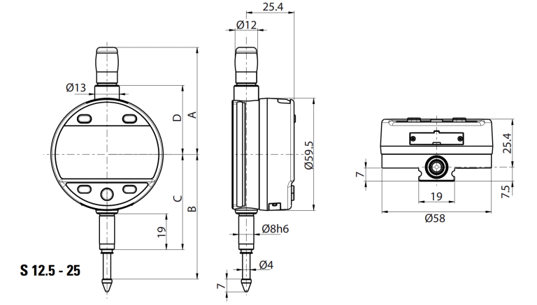
| A (mm) | 56.7 | 69.4 |
| B (mm) | 66.1 | 78.5 |
| C (mm) | 50.5 | 50.5 |
| D (mm) | 36.6 | 49.4 |
| Output data | Bluetooth wireless technology / USB / RS232 | |
| Programmable by PC | ⬤ | |
| Standard functions (customized by PC) | mm/inch, preset (max 99.9999 or 999.999) min/max/delta, tolerances, resolution, direction of measurement, multiplication factor, automatic or manual switch off, key lock | |
| Measuring Force | S 12.5 | S 25 |
| Standard (N) | 0.65 – 0.9 | 0.65 – 1.15 |
| Low ¹ (N) | 0.4 – 0.55 | 0.45 – 0.9 |
| High ¹ (N) | 1.0 – 1.6 | 0.9 – 1.8 |


