S_DIAL Work Basic menawarkan desain sederhana namun tahan lama, dengan sistem Smart Inductive System (SIS) untuk otomatis wake/sleep, output Power & Proximity untuk koneksi ke PC/display, dan tombol preset yang mudah di-konfigurasi. Cocok untuk inspeksi dimensi dasar dan kontrol kualitas produksi.
Digital Indicator S_DIAL Work Basic Sylvac
Indikator digital ini cocok untuk pengukuran jarak, deviasi permukaan, dan penyetelan alat. Dengan proteksi terhadap cipratan cairan/dust (IP51) dan konstruksi tahan kerja, cocok digunakan di industri otomotif, elektronik, aeronautika, packaging, dan mesin perkakas.
Features
Resolusi 0,001 mm atau 0,01 mm tergantung model; rentang sampai 50 mm.
Sistem pintar otomatis wake/sleep untuk efisiensi baterai dan operasi konsisten.
Proximity & Power output untuk sambungan ke PC/USB/RS232.
Termasuk mm/inch, preset, arah pengukuran; diset melalui PC.
Housing robust, tahan air/cipratan (IP51).
Overview
| 805-1201 | 805-1301 | 805-1401 | 805-1501 | 805-1601 | 805-1621 | |
| EAN | 7640125697919 | 7640125697186 | 7640125697193 | 7640125697278 | 7640125697391 | 7640125697476 |
| Measuring range (mm) | 12.5 | 25 | 50 | |||
| Resolution (mm) | 0.01 | 0.001 | 0.01 | 0.001 | 0.01 | 0.001 |
| Max. Error fe (µm) | 10 ¹ | 4 | 10 ¹ | 5 | 20 ¹ | 7 |
| Repeatability (µm) | 2 | |||||
| IP rating | IP51 | |||||
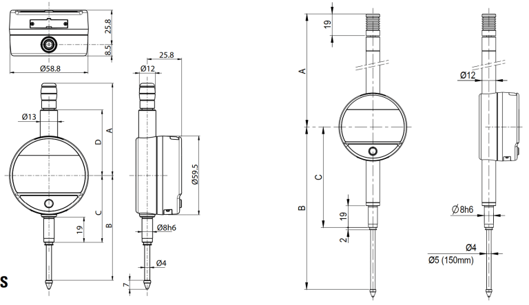
| A (mm) | 56.7 | 69.9 | 121.3 | |||
| B (mm) | 66.1 | 78.5 | 142 | |||
| C (mm) | 50.5 | 88 | ||||
| D (mm) | 36.6 | 49.4 | – | |||
| Output data | USB / RS232 | |||||
| Programmable by PC | ⬤ | |||||
| Standard functions (customized by PC) | Preset (max 999.999) only programmable by PC with cable, mm/inch, direction of measurement | |||||
| Measuring force | S 12.5 | S 25 | S 50 |
| Standard (N) | 0.65 – 0.90 | 0.65 – 1.15 | 1.1 – 2.6 |
| Low ² (N) | 0.4 – 0.55 | 0.45 – 0.9 | – |
| High ² (N) | 1.0 – 1.6 | 0.9 – 1.8 | – |






