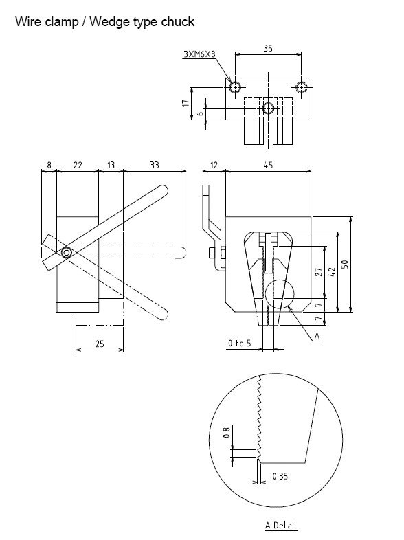
Aksesori fixture clamp Shimpo bergigi, dengan ulir M6, cocok untuk force gauge seri FGE/FGV dan test stand Shimpo. Grip ini mengunci bahan tipis dengan kuat saat diuji, namun tetap mudah dibuka lewat mekanisme tuas. Daya tarik maksimal 50 kg.
Force Gauge Attachments and Grips Wire Clamp Fixture Grip Shimpo
Dirancang untuk uji tarik kawat, kabel, dan filamen sejenis: grip ini menahan hingga 5 mm lebar sampel dengan kapasitas 112 lb. Tuas besar mempercepat penggantian spesimen, menjadikannya pilihan efisien di laboratorium R&D dan lini produksi.
Features
Tuas memungkinkan pemuatan / pelepasan sampel dengan cepat dan efisien.
Bisa tahan gaya tarik sampai 112 lb (~50 kg).
Bukaan maksimal 0,2″ (5 mm), cocok untuk kawat atau strip tebal.
Memiliki koneksi ulir M6 untuk kompatibilitas dengan force gauge dan test stand Shimpo.
Dirancang sebagai fixture untuk pengujian pull / tensile berulang (repetitive tensile testing).
Overview
| Spesifikasi | Nilai |
|---|---|
| Model | FG-M6WCF5U |
| Jenis | Wire Clamp Fixture Grip / Fixing Attachment |
| Maks. Bukaan Rahang | 0,2″ / 5 mm |
| Kapasitas Tarik Maksimum | 112 lb (50 kg) |
| Thread / Koneksi | M6 female |
| Berat | ± 3 lb (sekitar 1,36 kg) menurut listing distributor. |
| Garansi | 1 tahun dari pabrikan (menurut listing) |







