RVS-60 menyediakan pengaturan stage yang fleksibel dan efisien dengan kemampuan operasi XY dari dua sisi. Desain simetris memudahkan penyesuaian posisi skala dan tuas klem sesuai kebutuhan. Produk ini ideal untuk ruang terbatas, menjaga akurasi dan kenyamanan pengguna dalam aplikasi penelitian dan industri yang memerlukan presisi tinggi.
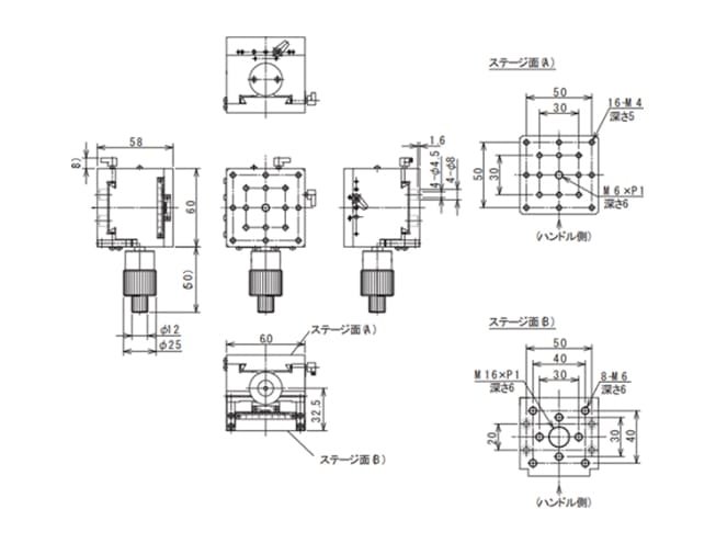
Miruc Dovetail Reversible Stage RVS-60
Stage Miruc RVS-60 mendukung berbagai aplikasi presisi melalui konstruksi berkualitas tinggi. Permukaan anodized hitam memastikan daya tahan dan estetika, sementara desain reversible memberikan fleksibilitas maksimal dalam konfigurasi stage. Gerakan halus, stabil, dan presisi menjadikan stage ini solusi optimal untuk pengaturan posisi sampel yang cepat dan akurat.
Features
Skala dan tuas klem dapat dipasang di depan/belakang atau kiri/kanan, memungkinkan konfigurasi fleksibel.
Mendukung gerakan halus pada sumbu X dan Y dari kedua sisi stage.
Skala minimum 0,1 mm dengan presisi gerakan ±30 µm memastikan akurasi optimal.
Mampu menahan beban hingga 39,2 N (sekitar 4 kgf) untuk berbagai aplikasi.
Terbuat dari paduan aluminium dengan anodisasi hitam, memberikan kekuatan dan ketahanan korosi.
Overview
| Model | Permukaan Stage (mm) | Travel (mm) | Presisi Travel (µm) | Kapasitas Beban (N) | Skala Minimum (mm) | Berat (kg) | |
|---|---|---|---|---|---|---|---|
| RVS-60 | 60 x 60 | ±12 | 30 | 39,2 | 0,1 | 0,62 |







