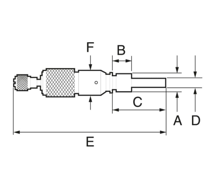
Micrometer head klasik buatan Moore & Wright (Sheffield) cocok untuk kolektor atau penggunaan di pengaturan custom. Unit kepala ukur tanpa frame C-bracket ini memungkinkan modifikasi ke fixture/alat ukur lain untuk pengukuran presisi di workshop atau aplikasi industri ringan.
Micrometer Heads Moore & Wright
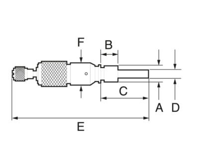
Head micrometer sederhana tanpa mekanisme ratchet, ideal untuk aplikasi di mana tekanan pengukuran dikontrol manual. Kompatibel dengan fixture, R-stage, atau alat ukur khusus. Pilihan ekonomis bagi mereka yang memodifikasi alat ukur atau membangun peralatan presisi custom.
Features
Micrometer head tersedia mis. 0–1″ (0–25 mm), cocok untuk aplikasi ukuran kecil/mikro.
Resolusi hingga 0.0001″ (atau 0.01 mm) untuk akurasi tinggi.
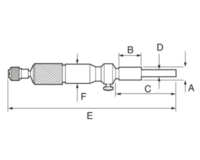
Ratchet memberikan tekanan konstan untuk pembacaan konsisten.
Bisa dipasang pada jig, stage X-Y, atau alat ukur buatan.
Permukaan skala tahan lama, mudah dibaca.
Specification
| Product Code | Description | Range (mm) | Resolution (mm) | Price |
| MW310-25 | Flat anvil | 0-25 | 0.01 | POA |
| MW310-15 | Flat Anvil | 0-15 | 0.01 | POA |
| Product Code | Description | Range (mm) | Resolution (mm) | Price |
| MW310-15 | Flat Anvil | 0-15 | 0.01 | POA |
| MW310-25 | Flat anvil | 0-25 | 0.01 | POA |














